Filters
More in this category
Rotary Cam Switches
part#
description
manufacturer

7GN1203P
7GN1203P Lovato - Enclosed rotary cam switch 7GN series, ON-OFF spring return switch 3 poles 16A in plastic enclosure 75X75mm with black handle
Lovato Electric
Quick Quote

GF2008U25
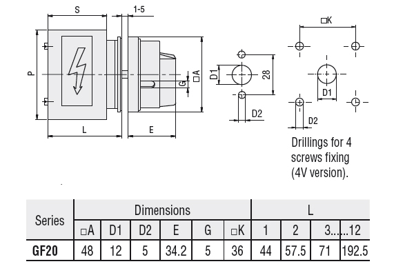
GF2008U25 Lovato - Rotary cam switch GF series, ON-OFF switch 4 poles 20A, for front mounting with red/yellow handle padlockable in 0 and protection covers, front plate 48X48mm
Lovato Electric
Quick Quote

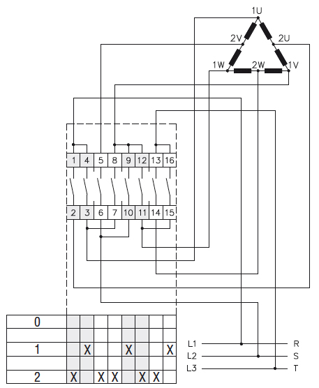
GX2019O88
GX2019O88 Lovato - Rotary cam switch GX series, Dahlander motor control switch 0-1-2, 20A, for rear mounting with red/yellow handle padlockable in 0, door coupling and protection covers, front plate 48X48mm
Lovato Electric
Quick Quote

GX2067U47
GX2067U47 Lovato - Rotary cam switch GX series, voltmeter switch for phase-phase voltages 20A, for snap on front mounting with black handle for hole dia: 22mm fixing, front plate 48X48mm
Lovato Electric
Quick Quote

GX1603U12
GX1603U12 Lovato - Rotary cam switch GX series, ON-OFF spring return switch 3 poles 16A, for front mounting without front plate with key operation for hole dia: 22mm fixing
Lovato Electric
Quick Quote

7GN2010O98
7GN2010O98 Lovato - Rotary cam switch 7GN series, ON-OFF switch 3 poles 20A, for rear mounting with red/yellow handle padlockable in 0, door coupling and protection covers, front plate 65X65mm
Lovato Electric
Quick Quote
Items per page: