Filters
More in this category
Rotary Cam Switches
part#
description
manufacturer

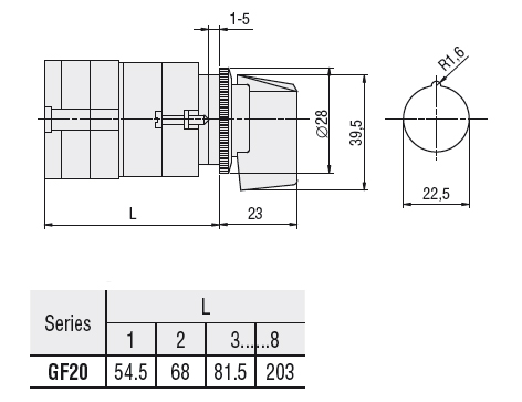
GF2020O
GF2020O Lovato - Rotary cam switch GF series, Dahlander motor 2-speed reversing switch, 20A, for rear mounting with black handle, front plate 48X48mm
Lovato Electric
Quick Quote

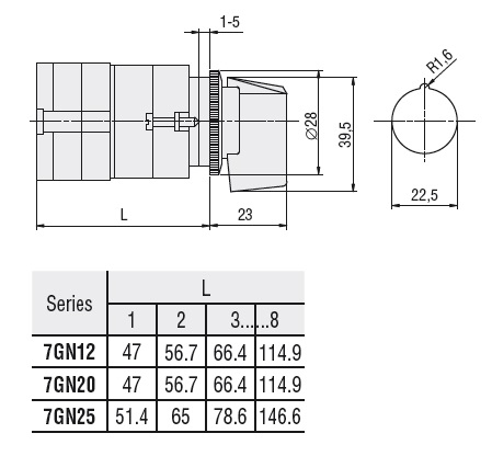
7GN1268O
7GN1268O Lovato - Rotary cam switch 7GN series, voltmeter switch for phase-neutral voltages 16A, for rear mounting with black handle, front plate 48X48mm
Lovato Electric
Quick Quote

7GN4066U
7GN4066U Lovato - Rotary cam switch 7GN series, voltmeter switch for phase-neutral and phase-phase voltages 40A, for front mounting with black handle, front plate 65X65mm
Lovato Electric
Quick Quote

GF2008U11
GF2008U11 Lovato - Rotary cam switch GF series, ON-OFF switch 4 poles 20A, for front mounting with black handle without front plate for hole dia: 22mm fixing
Lovato Electric
Quick Quote

7GN1208U12
7GN1208U12 Lovato - Rotary cam switch 7GN series, ON-OFF switch 4 poles 16A, for front mounting without front plate with key operation for hole dia: 22mm fixing
Lovato Electric
Quick Quote

GX4013O88
GX4013O88 Lovato - Rotary cam switch GX series, Dahlander motor control switch 1-0-2, 40A, for rear mounting with red/yellow handle padlockable in 0, door coupling and protection covers, front plate 65X65mm
Lovato Electric
Quick Quote

7GN1205U11
7GN1205U11 Lovato - Rotary cam switch 7GN series, ON-OFF switch 1 pole 16A, for front mounting with black handle without front plate for hole dia: 22mm fixing
Lovato Electric
Quick Quote

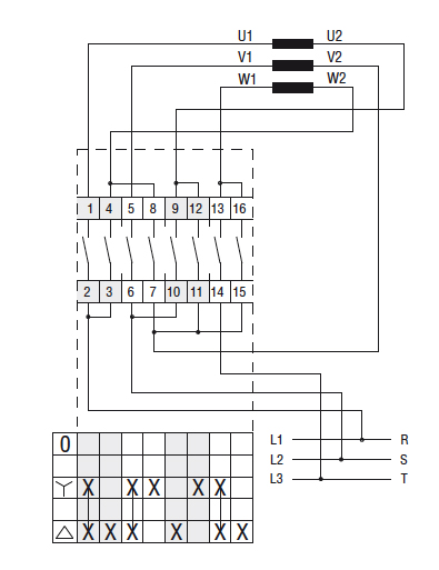
GX4093U
GX4093U Lovato - Rotary cam switch GX series, multi-step 1-2-3, 3 poles 40A, for front mounting with black handle, front plate 65X65mm
Lovato Electric
Quick Quote

7GN2006P
7GN2006P Lovato - Enclosed rotary cam switch 7GN series, ON-OFF switch 2 poles 20A in plastic enclosure 75X75mm with black handle
Lovato Electric
Quick Quote

GN20020U
GN20020U Lovato - Rotary cam switch GN series, Dahlander motor 2-speed reversing switch, 200A, for front mounting with black handle, front plate 132X132mm
Lovato Electric
Quick Quote

GX4020U
GX4020U Lovato - Rotary cam switch GX series, Dahlander motor 2-speed reversing switch, 40A, for front mounting with black handle, front plate 65X65mm
Lovato Electric
Quick Quote

7GN1220U47
7GN1220U47 Lovato - Rotary cam switch 7GN series, Dahlander motor 2-speed reversing switch, 16A, modular service cover for 35mm DIN reail mounting with black handle, front plate 48X48mm
Lovato Electric
Quick Quote

GF2003U
GF2003U Lovato - Rotary cam switch GF series, ON-OFF spring return switch 3 poles 20A, for front mounting with black handle, front plate 30X30mm
Lovato Electric
Quick Quote

GX20136U47
GX20136U47 Lovato - Rotary cam switch GX series, multi-step 0-1-2-3, 3 poles 20A, for snap on front mounting with black handle for hole dia: 22mm fixing, front plate 48X48mm
Lovato Electric
Quick Quote

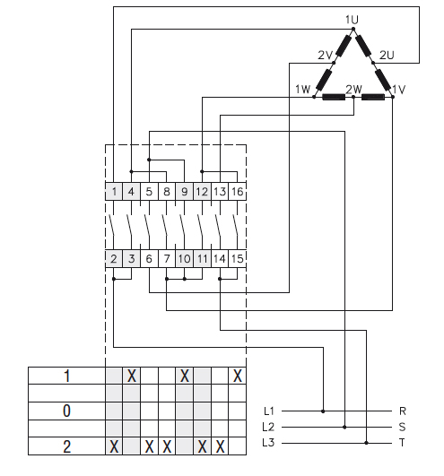
GX2012O
GX2012O Lovato - Rotary cam switch GX series, star-delta motor starter switch 20A, for rear mounting with black handle, front plate 48X48mm
Lovato Electric
Quick Quote

7GN40124O
7GN40124O Lovato - Rotary cam switch 7GN series, multi-step 0-1-2-3, 2 poles 40A, for rear mounting with black handle, front plate 65X65mm
Lovato Electric
Quick Quote

GX2025P
GX2025P Lovato - Enclosed rotary cam switch GX series, 1-phase motor reversing switch with spring return 20A in plastic enclosure 90X90mm with black handle
Lovato Electric
Quick Quote

GN31512O
GN31512O Lovato - Rotary cam switch GN series, star-delta motor starter switch 315A, for rear mounting with black handle, front plate 132X132mm
Lovato Electric
Quick Quote

GX3207O
GX3207O Lovato - Rotary cam switch GX series, ON-OFF switch 3 poles 32A, for rear mounting with black handle, front plate 65X65mm
Lovato Electric
Quick Quote

GX1625U25
GX1625U25 Lovato - Rotary cam switch GX series, 1-phase motor reversing switch with spring return 16A, for front mounting with red/yellow handle padlockable in 0 and protection covers, front plate 48X48mm
Lovato Electric
Quick Quote
Items per page: